Product Summary
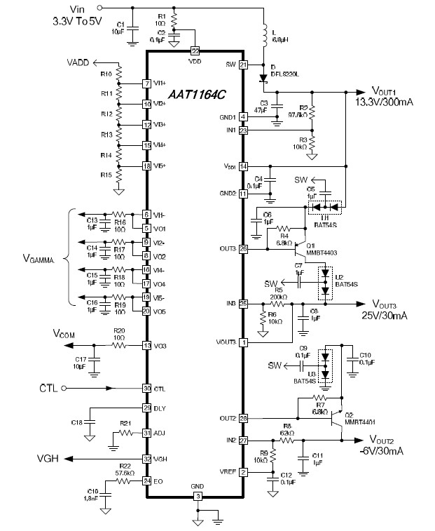
The AAT1164 is a triple-channel TFT LCD power solution that provides a step-up PWM controller, two high voltage LDO drivers (one for positive voltage and one for negative voltage), five operational amplifiers, and one high voltage switch up to 28V for TFT LCD display. The PWM controller of the AAT1164 consists of an on-chip voltage reference, oscillator, error amplifier, current sense circuit, comparator, under-voltage lockout protection and internal soft-start circuit. The thermal and power fault protection prevents internal circuit being damaged by excessive power. The high voltage LDO drivers of the AAT1164 generate two regulated output voltage (VOUT2 and VOUT3) set by external resistor dividers. VGH voltage does not activate until DLY voltage exceeds 1.25V.
Parametrics
AAT1164 absolute maximum ratings: (1)VDD to GND VDD: 7 V; (2)VDD1, SW to GND (for AAT1164/AAT1164B) VH1: 13.5 V; (3)VDD1, SW to GND (for AAT1164C) VH1: 14.5 V; (4)VOUT3, OUT3, VGH to GND VH2: 30 V; (5)OUT2 to GND VH3: –14 V; (6)Input Voltage VI1: VDD+0.3 V; (7)Operating Free-Air Temperature Range TC: –40 ℃ to +85 ℃; (8)Storage Temperature Range TSTORAGE: –45 ℃ to +125 ℃; (9)Power Dissipation Pd: 1,600 mW.
Features
AAT1164 features: (1)Built in 3A, 0.2Switching NMOS; (2)Positive LDO Driver Up to 28V/5mA; (3)Negative LDO Driver Down to –14V/5mA; (4)1 VCOM and 4 VGAMMA Operational Amplifiers; (5)28V High Voltage Switch for VGH; (6)Internal Soft-Start Function; (7)1.2MHz Fixed Switching Frequency; (8)3 Channels Fault and Thermal Protection; (9)Low Dissipation Current; (10)QFN-32 Package Available.
Diagrams

| Image | Part No | Mfg | Description | ![]() |
Pricing (USD) |
Quantity | ||||
|---|---|---|---|---|---|---|---|---|---|---|
![]() |
![]() AAT1164 |
![]() Other |
![]() |
![]() Data Sheet |
![]() Negotiable |
|
||||
| Image | Part No | Mfg | Description | ![]() |
Pricing (USD) |
Quantity | ||||
![]() |
![]() AAT1011 |
![]() Other |
![]() |
![]() Data Sheet |
![]() Negotiable |
|
||||
![]() |
![]() AAT1014 |
![]() Other |
![]() |
![]() Data Sheet |
![]() Negotiable |
|
||||
![]() |
![]() AAT1100 |
![]() Other |
![]() |
![]() Data Sheet |
![]() Negotiable |
|
||||
![]() |
![]() AAT1100-T |
![]() Other |
![]() |
![]() Data Sheet |
![]() Negotiable |
|
||||
![]() |
![]() AAT1101/A/B |
![]() Other |
![]() |
![]() Data Sheet |
![]() Negotiable |
|
||||
![]() |
![]() AAT1102 |
![]() Other |
![]() |
![]() Data Sheet |
![]() Negotiable |
|
||||
(China (Mainland))









