Product Summary
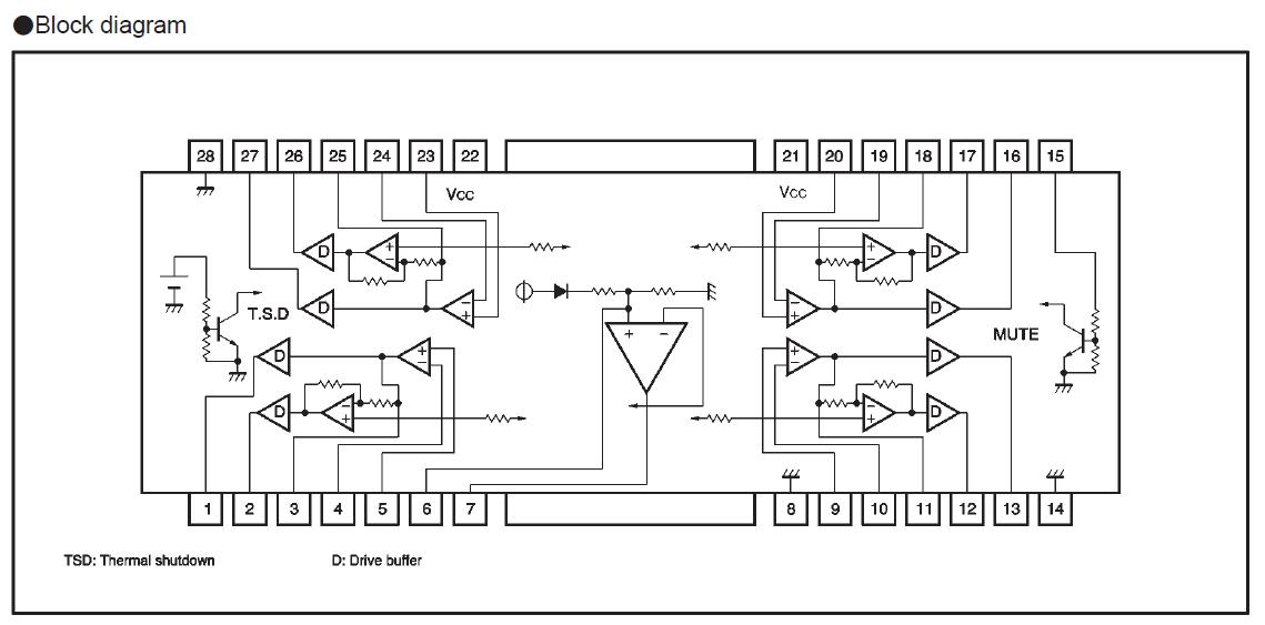
The BA6297AFP is a 4-channel BTL driver for CD player actuators and motors. The preamplifier has both positive and negative input pins and output pins, making this IC suited to a broad range of applications.
Parametrics
BA6297AFP absolute maximum ratings: (1)power supply voltage, VCC: 18V; (2)power dissipation, Pd: 1.7W; (3)operating temperature, Topr: -40~+80℃; (4)storage temperature, Tstg: -55 to+150℃.
Features
BA6297AFP features: (1)4-channel BTL driver; (2)HSOP 28-pin package allows for miniaturization of applications; (3)Internal thermal shutdown; (4)Driver gain is adjustable with a single attached resistor; (5)Both positive and negative input pins, for adaptability for a wide range of inputs (including negative phase input).
Diagrams

| Image | Part No | Mfg | Description | ![]() |
Pricing (USD) |
Quantity | ||||||
|---|---|---|---|---|---|---|---|---|---|---|---|---|
![]() |
![]() BA6297AFP |
![]() Other |
![]() |
![]() Data Sheet |
![]() Negotiable |
|
||||||
| Image | Part No | Mfg | Description | ![]() |
Pricing (USD) |
Quantity | ||||||
![]() |
![]() BA6208 |
![]() |
![]() IC DRIVER REVERSE MOTOR SIP9 |
![]() Data Sheet |
![]()
|
|
||||||
![]() |
![]() BA6208F |
![]() Other |
![]() |
![]() Data Sheet |
![]() Negotiable |
|
||||||
![]() |
![]() BA6208F-E2 |
![]() |
![]() IC DRIVER REVERSE MOTOR SOP8 TR |
![]() Data Sheet |
![]()
|
|
||||||
![]() |
![]() BA6209 |
![]() |
![]() IC DRIVER REVERSE MOTOR HSIP10 |
![]() Data Sheet |
![]()
|
|
||||||
![]() |
![]() BA6209N |
![]() ROHM Semiconductor |
![]() Motor / Motion / Ignition Controllers & Drivers REVERS MOTOR DRVR |
![]() Data Sheet |
![]()
|
|
||||||
![]() |
![]() BA6212 |
![]() Other |
![]() |
![]() Data Sheet |
![]() Negotiable |
|
||||||
(China (Mainland))













