Product Summary
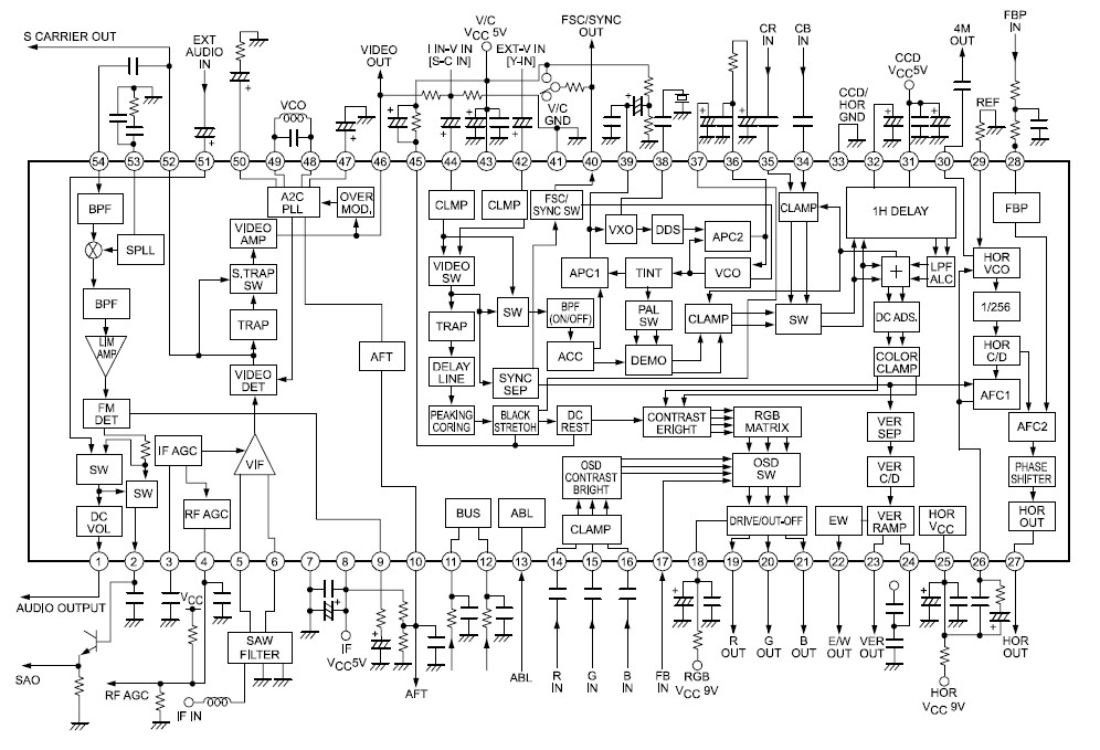
The LA76828N is an I2C bus controller IC that supports the different TV broadcast format used worldwide and aim for rationalization of color TV set design, improved manufacturability, and lower total cost.
Features
LA76828N features: (1)Single crystal multiformat system that supports the different TV broadcast formats used worldwide Multiformat system: LA76828N (YCbCr and E/W support); (2)Adjustment-free VIF/SIF, audio trap/audio bandpass filters Adjustment-free horizontal resonator system; (3)Simplified SG; (4)Supply voltage : VCC = 5V/9V; (5)Single crystal color system : PAL, NTSC, SECAM (The LA7642N is used as the SECAM decoder; (6)Black stretch, sharpness control with coring on/off control, built-in variable Y system filters(Y-DL and chrominance trap)Chrominance bandpass filter, demodulation ratio and angle control; (7)E/W support.
Diagrams

| Image | Part No | Mfg | Description | ![]() |
Pricing (USD) |
Quantity | ||||
|---|---|---|---|---|---|---|---|---|---|---|
![]() |
![]() LA76828N |
![]() Other |
![]() |
![]() Data Sheet |
![]() Negotiable |
|
||||
| Image | Part No | Mfg | Description | ![]() |
Pricing (USD) |
Quantity | ||||
![]() |
![]() LA7605AM |
![]() Other |
![]() |
![]() Data Sheet |
![]() Negotiable |
|
||||
![]() |
![]() LA7605M |
![]() Other |
![]() |
![]() Data Sheet |
![]() Negotiable |
|
||||
![]() |
![]() LA76070 |
![]() Other |
![]() |
![]() Data Sheet |
![]() Negotiable |
|
||||
![]() |
![]() LA76075 |
![]() Other |
![]() |
![]() Data Sheet |
![]() Negotiable |
|
||||
![]() |
![]() LA7615 |
![]() Other |
![]() |
![]() Data Sheet |
![]() Negotiable |
|
||||
![]() |
![]() LA7625 |
![]() Other |
![]() |
![]() Data Sheet |
![]() Negotiable |
|
||||
(China (Mainland))









