Product Summary
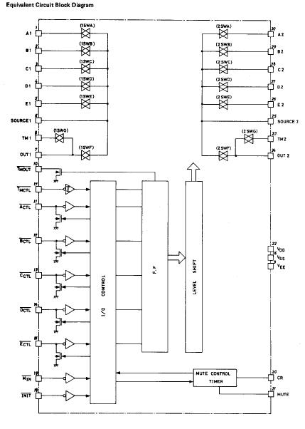
The LC7818 is a function switch.
Parametrics
LC7818 absolute maximum ratings: (1)maximum supply voltage, VDD max, VDD: VSS-0.3 to +20V when VEE≤VSS; VEE max, VEE: -20 to VSS+0.3V; (2)output voltage, VOUT, ACTL to ECTL: VSS-0.3 to VDD +0.3V; (3)output current, IUT: 30mA; (4)voltage difference at analog switch-on mode, △Von: 30mA when switch on; (5)allowable power dissipation Pd max: 500mW when Ta≤85℃; (6)operating temperature, Topg: -30 to +75℃; (7)storage temperature, Tstg: -40 to +125℃; (8)allowable operating conditions at 25℃, Vss=0V, |VDD|≥|VEE|, supply voltage, VDD1, VDD: VSS+6 to VSS+18.5V; VEE, VEE: VSS-18.5V to VSS V; VD2, VDD: VSS+3 to VSS+18.5V when VEE≤VSS backup.
Features
LC7818 features: (1)2-channel 5-position source select + tape monitor on chip; (2)control input pins of input/output common type (key input and LED display); (3)delivers audio muting control signal; (4)possible to select operation modes of backup mode, initialization mode, automatic switchover of function; (5)supply voltage ±20V, single-supply operation avaliable.
Diagrams

![]() |
![]() LC78211 |
![]() Other |
![]() |
![]() Data Sheet |
![]() Negotiable |
|
||||
![]() |
![]() LC78212 |
![]() Other |
![]() |
![]() Data Sheet |
![]() Negotiable |
|
||||
![]() |
![]() LC78213 |
![]() Other |
![]() |
![]() Data Sheet |
![]() Negotiable |
|
||||
![]() |
![]() LC78625E |
![]() Other |
![]() |
![]() Data Sheet |
![]() Negotiable |
|
||||
![]() |
![]() LC78626E |
![]() Other |
![]() |
![]() Data Sheet |
![]() Negotiable |
|
||||
![]() |
![]() LC7868KE |
![]() Other |
![]() |
![]() Data Sheet |
![]() Negotiable |
|
||||
(China (Mainland))








