Product Summary
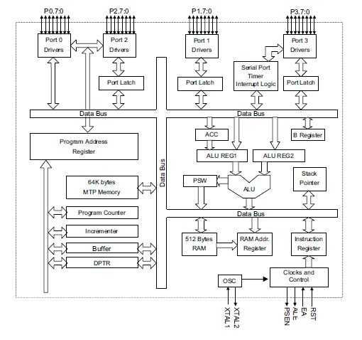
The M6759 is an 8032/8052 instruction compatible 8-bit micro-controller with MTP Flash ROM for firmware updating. This device provides whole microcontroller system on one chip and still remains the feasibility for general control systems in a variety of applications. The M6759 contains a non-volatile 64K bytes Multiple Times Programmable ROM program memory, a volatile 512 bytes read/write data memory, four 8-bit I/O ports, two 16-bit timer/event counters, a 16-bit timer, a multi-source two-priority-level nested interrupt structure, one serial interface and an on-chip oscillator.
Parametrics
M6759 absolute maximum ratings: (1)Supply voltage: -0.5V to +7V; (2)Operating supply voltage (VCC): 4.5V to 5.5V; (3)Operating supply voltage (VDD): 3.0V to 3.6V; (4)All input and output voltages: -0.5V to VCC+0.5V; (5)Storage temperature range (TSTG): -60 ℃ to 150 ℃; (6)Operating temperature (TA:) 0℃ to 70 ℃.
Features
M6759 features: (1)8051 instruction set compatible 8 bit microcontroller; (2)8051/8052 compatible pin out; (3)Complete static design, wide range of operation frequency from 1 ~ 40 MHz; (4)Four 8-bit bi-directional I/O ports; (5)13 interrupts including 6 external source; (6)One full-duplex serial UART ports compatible with standard 8052; (7)Two 16 bit timer/counter; (8)One 16 bit timer; (9)On chip oscillator for crystal; (10)Software power-down mode, support IDLE mode and STOP mode for less power consumption; (11)ROM Code Protection.
Diagrams

| Image | Part No | Mfg | Description | ![]() |
Pricing (USD) |
Quantity | ||||
|---|---|---|---|---|---|---|---|---|---|---|
![]() |
![]() M6759 |
![]() Other |
![]() |
![]() Data Sheet |
![]() Negotiable |
|
||||
| Image | Part No | Mfg | Description | ![]() |
Pricing (USD) |
Quantity | ||||
![]() |
![]() M675 |
![]() Other |
![]() |
![]() Data Sheet |
![]() Negotiable |
|
||||
![]() |
![]() M6759 |
![]() Other |
![]() |
![]() Data Sheet |
![]() Negotiable |
|
||||
(China (Mainland))









