Product Summary
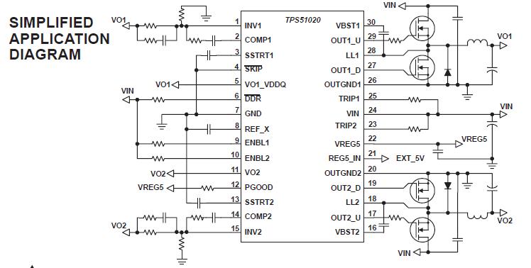
The PS51020 is a multi-function dualsynchronous step-down controller for notebook system power. The part is specifically designed for high performance, high efficiency applications where the loss associated with a current sense resistor is unacceptable. The PS51020 utilizes feed forward voltage mode control to attain high efficiency without sacrificing line response. Efficiency at light load conditions can be maintained high as well by incorporating autoskip operation. A selectable, Suspend to RAM (STR) supported, DDR option of PS51020 provides a one chip solution for all switching applications from 5-V/3.3-V supply to a complete DDR termination solution.
Parametrics
PS51020 absolute maximum ratings: (1)Input voltage range: VBST1, VBST2 (with respect to LL ): -0.3 to 7 V, VIN, TRIP1, TRIP2, ENBL1, ENBL2, DDR: -0.3 to 30 V; (2)Ouput voltage range: -0.3 to 15 V, PGOOD, VO1_VDDQ, VO2, OUT1_D, OUT2_D, COMP1, COMP2, VREG5, SSTRT1, SSTRT2: -0.3 to 7 V; (3)Output current range: 70 mA; (4)Operating free-air temperature range, TA: -40 to 85 ℃; (5)Storage temperature range, Tstg: -55 to 150 ℃; (6)Junction temperature range, TJ: -40 to 125 ℃; (7)Lead temperature 1,6 mm (1/16 inch) from case for 10 seconds: 300 ℃.
Features
PS51020 features: (1)Wide Input Voltage Range: 4.5-V to 28-V; (2)Selectable Dual and DDR Modes; (3)Selectable Fixed Frequency Voltage Mode; (4)Integrated Selectable Output Discharge; (5)Advanced Power Good Logic Monitors both Channels; (6)Selectable Autoskip Mode; (7)Integrated Boot Strap Diodes; (8)180° Phase Shift Between Channels; (9)Integrated 5-V, 60-mA Regulator; (10)Input Feedforward Control; (11)1% Internal 0.85-V Reference; (12)RDS(on) Overcurrent Detection (4200 ppm/℃); (13)Integrated OVP, UVP and Power Good Timers; (14)30-pin TSSOP Package.
Diagrams

![]() |
![]() PS5100EV |
![]() Microchip Technology |
![]() Battery Management 2 CELL LI ION/POLY |
![]() Data Sheet |
![]() Negotiable |
|
||||
![]() |
![]() PS51259-A |
![]() Other |
![]() |
![]() Data Sheet |
![]() Negotiable |
|
||||
![]() |
![]() PS51277-A |
![]() Other |
![]() |
![]() Data Sheet |
![]() Negotiable |
|
||||
![]() |
![]() PS5162EV |
![]() Microchip Technology |
![]() Battery Management 2 CELL LI ION/POLY |
![]() Data Sheet |
![]() Negotiable |
|
||||
![]() |
![]() PS5163EV |
![]() Microchip Technology |
![]() Battery Management 2 CELL LI ION/POLY |
![]() Data Sheet |
![]() Negotiable |
|
||||
![]() |
![]() PS5164 |
![]() Microchip Technology |
![]() Battery Management 2 CELL LI ION/POLY |
![]() Data Sheet |
![]() Negotiable |
|
||||
(China (Mainland))









