Product Summary
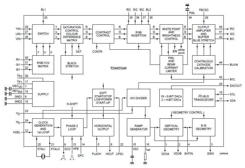
The TDA9332H is a I2C-bus controlled TV display processor. the TDA9332H has a multi-sync function for the horizontal PLL, with a frequency range from 30 to 50 kHz (2fH mode) for 15 to 25 kHz (1fH mode), so that the ICs can also be used to display SVGA signals.
Parametrics
TDA9332H absolute maximum ratings: (1)VP supply voltage: - 9.0 V; (2)Tstg storage temperature: -25 +150 ℃; (3)Tamb ambient temperature: 0 70 ℃; (4)Tsol soldering temperature for 5 s: 260 ℃; (5)Tj junction temperature: 150 ℃.
Features
TDA9332H features: (1)Horizontal synchronization with two control loops and alignment-free horizontal oscillator; (2)Slow start and slow stop of the horizontal drive pulses; (3)Low-power start-up option for the horizontal drive circuit; (4)Vertical count-down circuit; (5)Vertical driver optimized for DC-coupled vertical output stages; (6)Vertical and horizontal geometry processing; (7)Horizontal and vertical zoom possibility and vertical scroll function for application with 16 : 9 picture tubes; (8)Horizontal parallelogram and bow correction; (9)I2C-bus control of various functions; (10)Low dissipation.
Diagrams

![]() |
![]() TDA9102C |
![]() Other |
![]() |
![]() Data Sheet |
![]() Negotiable |
|
||||
![]() |
![]() TDA9102F |
![]() Other |
![]() |
![]() Data Sheet |
![]() Negotiable |
|
||||
![]() |
![]() TDA9102T |
![]() Other |
![]() |
![]() Data Sheet |
![]() Negotiable |
|
||||
![]() |
![]() TDA9103 |
![]() Other |
![]() |
![]() Data Sheet |
![]() Negotiable |
|
||||
![]() |
![]() TDA9105 |
![]() Other |
![]() |
![]() Data Sheet |
![]() Negotiable |
|
||||
![]() |
![]() TDA9105A |
![]() Other |
![]() |
![]() Data Sheet |
![]() Negotiable |
|
||||
(China (Mainland))








