Product Summary
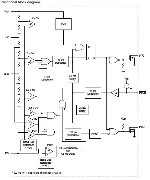
The TPS3510P is a PC power supply supervisor. The TPS3510P is designed to minimize external components of personal-computer switching power supply systems. The TPS3510P provides protection circuits, power good indicator, fault protection output (FPO) and PSON control. Overvoltage protection (OVP) monitors 3.3 V, 5 V, and 12 V (12-V signal detects via VDD pin). Undervoltage protection (UVP) monitors 3.3 V and 5 V. When an OV or UV condition is detected, the power good output (PGO) is set to low and FPO is latched high. PSON from low to high resets the protection latch. UVP function is enabled 75 ms after PSON is set low and debounced. Furthermore, there is a 2.3-ms delay (and an additional 38-ms debounce) at turnoff. There is no delay during turnon. Power good feature monitors PGI, 3.3 V and 5 V and issues a power good signal when the output is ready. The TPS3510P is characterized for operation from –40 to 85℃.
Parametrics
TPS3510P absolute maximum ratings: (1)Supply voltage, VDD: 16 V; (2)Output voltage VO: FPO: 16 V; PGO: 8 V; All other pins: –0.3 V to 16 V; (3)Operating free-air temperature range, TA: –40 to 85℃; (4)Storage temperature range, Tstg: –65 to 150℃; (5)Soldering temperature: 260℃.
Features
TPS3510P features: (1)Overvoltage Protection and Lockout for 12 V, 5 V, 3.3 V; (2)Undervoltage Protection and Lockout for 5 V and 3.3 V; (3)Fault Protection Output With Open-Drain Output Stage; (4)Open-Drain Power Good Output Signal for Power Good Input, 3.3 V and 5 V; (5)Power Good Delay; 300-ms TPS3510, 150-ms TPS3511; (6)75-ms Delay for 5-V and 3.3-V Power Supply Short-Circuit Turnon Protection; (7)2.3-ms PSON Control to FPO Turnoff Delay; (8)38-ms PSON Control Debounce; (9)73-μs Width Noise Deglitches; (10)Wide Supply Voltage Range From 4 V to 15 V.
Diagrams

| Image | Part No | Mfg | Description | ![]() |
Pricing (USD) |
Quantity | ||||||||||||
|---|---|---|---|---|---|---|---|---|---|---|---|---|---|---|---|---|---|---|
![]() |
![]() TPS3510PE4 |
![]() Texas Instruments |
![]() Supervisory Circuits 3.5V Pwr Supply Mntr |
![]() Data Sheet |
![]()
|
|
||||||||||||
![]() |
![]() TPS3510P |
![]() Texas Instruments |
![]() Supervisory Circuits 3.5V Pwr Supply Mntr |
![]() Data Sheet |
![]()
|
|
||||||||||||
(China (Mainland))









