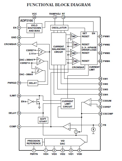
Product Summary
The ADP3166J is a highly efficient, multiphase, synchronous buck switching regulator controller optimized for converting a 12 V main supply into the core supply voltage required by high performance AMD processors. It uses an internal 5-bit DAC to read a voltage identification (VID) code directly from the processor, which is used to set the output voltage between 0.8 V and 1.55 V. The ADP3166J also uses a multimode PWM architecture to drive the logic-level outputs at a programmable switching frequency that can be optimized for VRM size and efficiency. The phase relationship of the output signals can be programmed to provide 2-, 3-, or 4-phase operation, allowing for the construction of up to four complementary buck switching stages. The ADP3166J includes programmable no-load offset and slope functions to adjust the output voltage as a function of the load current so that it is always optimally positioned for a system transient. The ADP3166J also provides accurate and reliable short-circuit protection, adjustable current limiting, and a delayed power good output that accommodates on-the-fly output voltage changes requested by the CPU.
Parametrics
ADP3166J absolute maximum ratings: (1)VCC: –0.3 V to +15 V; (2)FBRTN: –0.3 V to +0.3 V; (3)VID0 to VID4, EN, DELAY, ILIMIT, CSCOMP, RT, COMP,; (4)CROWBAR, PWM1 to PWM4: –0.3 V to +5.5 V; (5)SW1 to SW4: –5 V to +25 V; (6)All Other Inputs and Outputs: –0.3 V to VCC + 0.3 V; (7)Operating Ambient Temperature Range: 0℃ to 85℃; (8)Operating Junction Temperature: 125℃; (9)Storage Temperature Range: –65℃ to +150℃; (10)θJA: 100℃/W.
Features
ADP3166J features: (1)Selectable 2-, 3- or 4-Phase Operation at up to 1 MHz per Phase; (2)Differential Sensing Error ±1% over Temperature; (3)Logic-Level PWM Outputs for Interface to External High Power Drivers; (4)Active Current Balancing between All Output Phases; (5)Built-in Power Good Blanking Supports On-the-Fly VID Code Changes; (6)5-Bit Digitally Programmable 0.8 V to 1.55 V Output Short-Circuit Protection with Programmable Latch-Off Delay; (7)Overvoltage Protection Crowbar Logic Output.
Diagrams

| Image | Part No | Mfg | Description | ![]() |
Pricing (USD) |
Quantity | ||||
|---|---|---|---|---|---|---|---|---|---|---|
![]() |
![]() ADP3166JRU-REEL |
![]() |
![]() IC REG BUCK 5BIT 2-4PHAS 28TSSOP |
![]() Data Sheet |
![]() Negotiable |
|
||||
![]() |
![]() ADP3166JRU-REEL7 |
![]() |
![]() IC REG BUCK 5BIT 2-4PHAS 28TSSOP |
![]() Data Sheet |
![]() Negotiable |
|
||||
![]() |
![]() ADP3166JRUZ-REEL |
![]() |
![]() IC REG BUCK 5BIT 2-4PHAS 28TSSOP |
![]() Data Sheet |
![]() Negotiable |
|
||||
(China (Mainland))









