Product Summary
The LM324 is a quadruple operational amplifier. It consists of four independent high-gain frequency-compensated operational amplifiers that are designed specifically to operate from a single supply over a wide range of voltages. The applications of the LM324 include transducer amplifiers, dc amplification blocks, and all the conventional operational amplifier circuits that now can be more easily implemented in single-supply-voltage systems.
Parametrics
LM324 absolute maximim ratings: (1)Supply voltage, VCC: 32V; (2)Differential input voltage, VID: ±32V; (3)Input voltage, VI (either input): -0.3 to 32V; (4)Duration of output short circuit (one amplifier) to ground at (or below) TA = 25℃, VCC≤15V: unlimited; (5)Operating free air temperature range TA: 0 to 70℃; (6)Storage temperature range: -65 to 150℃; (7)Case temperature for 60 seconds FK package: 260℃; (8)Lead temperature 1,6 mm (1/16 inch) from case for 60 seconds J or W package: 300℃; (9)Lead temperature 1,6 mm (1/16 inch) from case for 10 seconds D, DB, N, or PW package: 260℃.
Features
LM324 features: (1)Wide Range of Supply Voltages: Single Supply: 3 V to 30 V or Dual Supplies; (2)Low Supply Current Drain Independent of Supply Voltage: 0.8 mA Typ; (3)Common-Mode Input Voltage Range Includes Ground Allowing Direct Sensing Near Ground; (4)Differential Input Voltage Range Equal to Maximum-Rated Supply Voltage: 32 V; (5)Open-Loop Differential Voltage Amplification: 100 V/mV Typ; (6)Internal Frequency Compensation.
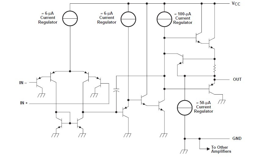
Diagrams

| Image | Part No | Mfg | Description | ![]() |
Pricing (USD) |
Quantity | ||||||||||||
|---|---|---|---|---|---|---|---|---|---|---|---|---|---|---|---|---|---|---|
![]() |
![]() LM3241TLE/NOPB |
![]() National Semiconductor (TI) |
![]() Operational Amplifiers - Op Amps |
![]() Data Sheet |
![]()
|
|
||||||||||||
![]() |
![]() LM3243TME/NOPB |
![]() National Semiconductor (TI) |
![]() PMIC Solutions 2.7MHz,2.5A SD DC/DC Converter |
![]() Data Sheet |
![]()
|
|
||||||||||||
![]() |
![]() LM3249TLX-C/NOPB |
![]() National Semiconductor (TI) |
![]() Operational Amplifiers - Op Amps |
![]() Data Sheet |
![]()
|
|
||||||||||||
![]() |
![]() LM324AN |
![]() Fairchild Semiconductor |
![]() Operational Amplifiers - Op Amps Quad Operational Amp |
![]() Data Sheet |
![]()
|
|
||||||||||||
![]() |
![]() LM324ANSR |
![]() Texas Instruments |
![]() Operational Amplifiers - Op Amps Quad GP Op Amp |
![]() Data Sheet |
![]()
|
|
||||||||||||
![]() |
![]() LM324AM/NOPB |
![]() National Semiconductor (TI) |
![]() Operational Amplifiers - Op Amps LOW PWR QUAD OP AMP |
![]() Data Sheet |
![]()
|
|
||||||||||||
![]() |
![]() LM324AM |
![]() Fairchild Semiconductor |
![]() Operational Amplifiers - Op Amps Quad Operational Amp |
![]() Data Sheet |
![]()
|
|
||||||||||||
![]() |
![]() LM324AMX/NOPB |
![]() National Semiconductor (TI) |
![]() Operational Amplifiers - Op Amps LOW PWR QUAD OP AMP |
![]() Data Sheet |
![]()
|
|
||||||||||||
(China (Mainland))










