Product Summary
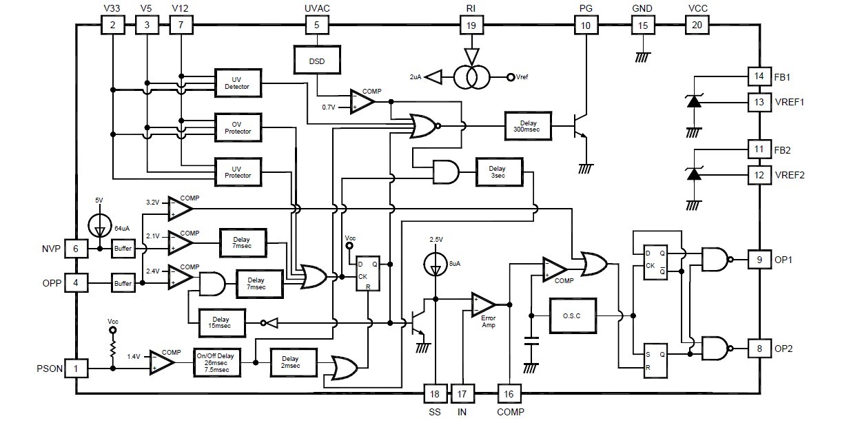
The SG6105D controller is designed for switching mode power supply for desktop PCs. It provides all the functions necessary to monitor and control the output of the power supply. Remote ON/OFF control, power good circuitry, some protection features against over-voltage and over-power are implemented. The SG6105D directly senses all the output rails for OVP without the need of external dividers. An innovated AC-signal sampling circuitry provides a sufficient power-down warning signal for PG. A built-in timer generates accuracy timing for control circuit including the PS-off delay. The applications of it include: switching mode power supply for computers, such as: ATX NLX SFX (micro-ATX).
Parametrics
SG6105D absolute maxing ratings: (1)VCC DC Supply Voltage at Pin 20: 16V; (2)VFB Shunt Regulator Output at Fb1, Fb2 Pins: 16V; (3)IOUT Output Current at PG, Fb1, Fb2 Pins: 30mA; (4)PD, 25℃ Power Dissipation (TA=25℃): 1.5W; (5)PD, 90℃ Power Dissipation (TA=90℃): 0.5W; (6)TSTG Storage Temperature Range: -55 to +150℃; (7)RθJA Thermal Resistance, Junction-To-Air: 82.5℃/W; (8)TJ, MAX Operating Junction Temperature: 150℃; (9)TA, MAX Operating Ambient Temperature: -30 to +125v; (10)TL Lead Temperature (Soldering, 10sec): 260℃; (11)ESD Capability, HBM model: 3.0kV.
Features
SG6105D features: (1)PC half-bridge (or 494) power supply supervisor+two 431+PWM; (2)High integration & few external components; (3)Over-voltage protection for 3.3V, 5V and 12V; (4)Under-voltage protection for 3.3V, 5V and 12V; (5)Under-voltage protection for –12V and/or –5V; (6)Over-power and short-circuit protection; (7)Power-down warning circuitry; (8)Power good circuitry; (9)Delay time for PSON and PG signal; (10)Remote ON/OFF function; (11)On-chip oscillator and error amplifier; (12)Two shunt regulator for 3.3V and 5V-Standby; (13)Latching PWM for cycle-by-cycle switching; (14)Push-pull PWM operation and totem pole outputs; (15)Soft-start and maximum 93% duty cycle.
Diagrams

![]() |
![]() SG615 |
![]() Other |
![]() |
![]() Data Sheet |
![]() Negotiable |
|
||||||||||||
![]() |
![]() SG6108DZ |
![]() Fairchild Semiconductor |
![]() Supervisory Circuits PC Power Supply Supervisors |
![]() Data Sheet |
![]()
|
|
||||||||||||
![]() |
![]() SG6108 |
![]() Other |
![]() |
![]() Data Sheet |
![]() Negotiable |
|
||||||||||||
![]() |
![]() SG6105ADZ_F116 |
![]() Fairchild Semiconductor |
![]() Supervisory Circuits Power Supply Sprvsr Regulator + PWM |
![]() Data Sheet |
![]() Negotiable |
|
||||||||||||
![]() |
![]() SG6105ADZ |
![]() Fairchild Semiconductor |
![]() Supervisory Circuits Power Supply Sprvsr + Regulator + PWM |
![]() Data Sheet |
![]()
|
|
||||||||||||
![]() |
![]() SG6105ADY |
![]() Fairchild Semiconductor |
![]() Supervisory Circuits Switching Mode Power Supply Contrl |
![]() Data Sheet |
![]() Negotiable |
|
||||||||||||
(China (Mainland))









