Product Summary
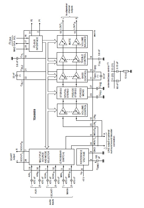
The TDA9859 is a universal hi-fi audio processor for TV. The TDA9859 provides control facilities for the main and the SCART channel of a TV set. Due to extended switching possibilities, signals from three stereo sources can be handled.
Parametrics
TDA9859 maximum rating: (1)VP positive supply voltage (pin 6): 7.2 V min, 8.0 typ, 8.8 V max.; (2)IP supply current: 25 typ; (3)Vi(rms) input signal levels for 0 dB gain (RMS value): 2 V min; (4)Vo(rms) output signal levels for 0 dB gain (RMS value): 2 V min; (5)THD total harmonic distortion: 0.1 typ; (6)S/N signal-to-noise ratio: 85 typ; (7)Tamb operating ambient temperature: 70 ℃ max.
Features
TDA9859 features: (1)Multi-source selector switches six AF inputs(three stereo sources or six mono sources); (2)Each of the input signals can be switched to each of the outputs (crossbar switch); (3)Outputs for loudspeaker channel and peri-TV connector(SCART); (4)Switchable spatial stereo and pseudo stereo effects; (5)Audio surround decoder can be added externally; (6)Two general purpose logic output ports; (7)I2C-bus control of all functions.
Diagrams

| Image | Part No | Mfg | Description | ![]() |
Pricing (USD) |
Quantity | ||||
|---|---|---|---|---|---|---|---|---|---|---|
![]() |
![]() TDA9859 |
![]() Other |
![]() |
![]() Data Sheet |
![]() Negotiable |
|
||||
| Image | Part No | Mfg | Description | ![]() |
Pricing (USD) |
Quantity | ||||
![]() |
![]() TDA9102C |
![]() Other |
![]() |
![]() Data Sheet |
![]() Negotiable |
|
||||
![]() |
![]() TDA9102F |
![]() Other |
![]() |
![]() Data Sheet |
![]() Negotiable |
|
||||
![]() |
![]() TDA9102T |
![]() Other |
![]() |
![]() Data Sheet |
![]() Negotiable |
|
||||
![]() |
![]() TDA9103 |
![]() Other |
![]() |
![]() Data Sheet |
![]() Negotiable |
|
||||
![]() |
![]() TDA9105 |
![]() Other |
![]() |
![]() Data Sheet |
![]() Negotiable |
|
||||
![]() |
![]() TDA9105A |
![]() Other |
![]() |
![]() Data Sheet |
![]() Negotiable |
|
||||
(China (Mainland))









