Product Summary
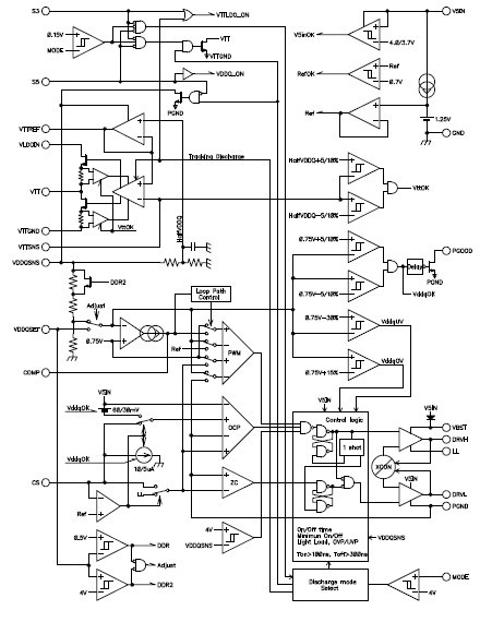
The TPS51116 is a complete DDR and DDR2 memory power solution. It provides a complete power supply for both DDR/SSTL-2 and DDR2/SSTL-18 memory systems. It integrates a synchronous buck controller with a 3-A sink/source tracking linear regulator and buffered low noise reference. The TPS51116 offers the lowest total solution cost in systems where space is at a premium. The device synchronous controller runs fixed 400kHz pseudo-constant frequency PWM with an adaptive on-time control that can be configured in D-CAP Mode for ease of use and fastest transient or in current mode to support ceramic output capacitors. The applications of the TPS51116 include: DDR/DDR2 Memory Power Supplies; SSTL-2 SSTL-18 and HSTL Termination.
Parametrics
TPS51116 absolute maximum ratings: (1)VIN Input voltage range VBST: -0.3 to 36V; VBST wrt LL: -0.3 to 6V; CS, MODE, S3, S5, VTTSNS, VDDQSNS, V5IN, VLDOIN, VDDQSET: -0.3 to 6V; PGND, VTTGND: -0.3 to 0.3V; (2)VOUT Output voltage range DRVH: -1.0 to 36V; LL: -1.0 to 30V; COMP, DRVL, PGOOD, VTT, VTTREF: -0.3 to 6; (3)TA Operating ambient temperature range: -40 to 85℃; (4)Tstg Storage temperature: -55 to 150℃.
Features
TPS51116 features: (1)Wide-Input Voltage Range: 3.0-V to 28-V; (2)D–CAP Mode with 100-ns Load Step Response; (3)Current Mode Option Supports Ceramic Output Capacitors; (4)Supports Soft-Off in S4/S5 States; (5)Current Sensing from RDS(on) or Resistor; (6)2.5-V (DDR), 1.8-V (DDR2) or Adjustable Output (1.5-V to 3.0-V); (7)Equipped with Powergood, Overvoltage Protection and Undervoltage Protection.
Diagrams

| Image | Part No | Mfg | Description | ![]() |
Pricing (USD) |
Quantity | ||||||||||||
|---|---|---|---|---|---|---|---|---|---|---|---|---|---|---|---|---|---|---|
![]() |
![]() TPS51116 |
![]() Other |
![]() |
![]() Data Sheet |
![]() Negotiable |
|
||||||||||||
![]() |
![]() TPS51116PWP |
![]() Texas Instruments |
![]() DC/DC Switching Controllers DDR2 SWITCHER AND LDO |
![]() Data Sheet |
![]()
|
|
||||||||||||
![]() |
![]() TPS51116PWPG4 |
![]() Texas Instruments |
![]() DC/DC Switching Controllers DDR2 SWITCHER AND LDO |
![]() Data Sheet |
![]()
|
|
||||||||||||
![]() |
![]() TPS51116PWPR |
![]() Texas Instruments |
![]() DC/DC Switching Controllers DDR2 SWITCHER AND LDO |
![]() Data Sheet |
![]()
|
|
||||||||||||
![]() |
![]() TPS51116RGETG4 |
![]() Texas Instruments |
![]() DC/DC Switching Controllers DDR2 SWITCHER AND LDO |
![]() Data Sheet |
![]()
|
|
||||||||||||
![]() |
![]() TPS51116RGET |
![]() Texas Instruments |
![]() DC/DC Switching Controllers DDR2 SWITCHER AND LDO |
![]() Data Sheet |
![]()
|
|
||||||||||||
![]() |
![]() TPS51116RGERG4 |
![]() Texas Instruments |
![]() DC/DC Switching Controllers DDR2 SWITCHER AND LDO |
![]() Data Sheet |
![]()
|
|
||||||||||||
![]() |
![]() TPS51116RGER |
![]() Texas Instruments |
![]() DC/DC Switching Controllers DDR2 SWITCHER AND LDO |
![]() Data Sheet |
![]()
|
|
||||||||||||
(China (Mainland))










