Product Summary
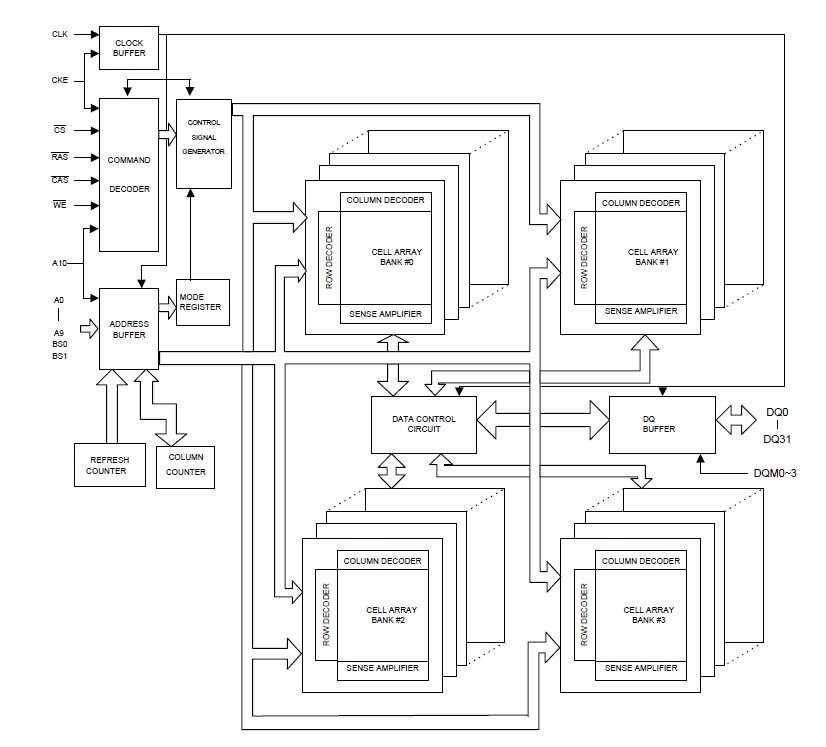
The W9864G2GH-6 is a high-speed synchronous dynamic random access memory (SDRAM), organized as 512K words × 4 banks × 32 bits. Using pipelined architecture and 0.11 μm process technology, W9864G2GH-6 delivers a data bandwidth of up to 800M bytes per second. For different application, W9864G2GH-6 is sorted into the following speed grades:-5,-6/-6C/-6I,-7.The -5 parts can run up to 200MHz/CL3.The -6/-6C/-6I parts can run up to 166 MHz/CL3. And the grade of –6C with tCK=7.5nS on CL=2, tIH=0.8nS on CL=2/3. And the -6I grade which is guaranteed to support -40℃ ~ 85℃.The -7 parts can run up to 143 MHz/CL3. Accesses to the SDRAM are burst oriented. Consecutive memory location in one page can be accessed at a burst length of 1, 2, 4, 8 or full page when a bank and row is selected by an ACTIVE command. Column addresses of the W9864G2GH-6 are automatically generated by the SDRAM internal counter in burst operation. Random column read is also possible by providing its address at each clock cycle. The multiple bank nature of the W9864G2GH-6 enables interleaving among internal banks to hide the precharging time.
Parametrics
W9864G2GH-6 absolute maximum ratings: (1)Input, Column Output Voltage VIN, VOUT: -0.3~VCC+ 0.3V V; (2)Power Supply Voltage VCC, VCCQ: -0.3~4.6V V; (3)Operating Temperature TOPR: 0 ~ 70 ℃; (4)Operating Temperature (-6I) TOPR: -40 ~ 85 ℃; (5)Storage Temperature TSTG: -55 ~50 ℃; (6)Soldering Temperature (10s) TSOLDER: 260 ℃; (7)Power Dissipation PD: 1 W; (8)Short Circuit Output Current IOUT: 50 mA.
Features
W9864G2GH-6 features: (1)3.3V± 0.3V for -5/-6/-6C/-6I grade power supply2.7V to 3.6V for -7 grade power supply; (2)524,288 words x 4 banks x 32 bits organization; (3)Self Refresh Current: Standard and Low Power; (4)CAS Latency: 2 & 3; (5)Burst Length: 1, 2, 4, 8 and full page; (6)Sequential and Interleave Burst; (7)Byte data controlled by DQM0-3; (8)Auto-precharge and controlled precharge; (9)Burst read, single write operation; (10)4K refresh cycles/64 mS; (11)Interface: LVTTL; (12)Packaged in TSOP II 86-pin, 400 mil; (13)W9864G2GH is using Lead free materials.
Diagrams

![]() |
![]() W986408AH |
![]() Other |
![]() |
![]() Data Sheet |
![]() Negotiable |
|
||||
![]() |
![]() W986408BH |
![]() Other |
![]() |
![]() Data Sheet |
![]() Negotiable |
|
||||
![]() |
![]() W986408CH |
![]() Other |
![]() |
![]() Data Sheet |
![]() Negotiable |
|
||||
![]() |
![]() W986416AH |
![]() Other |
![]() |
![]() Data Sheet |
![]() Negotiable |
|
||||
![]() |
![]() W986416BH |
![]() Other |
![]() |
![]() Data Sheet |
![]() Negotiable |
|
||||
![]() |
![]() W986416CH |
![]() Other |
![]() |
![]() Data Sheet |
![]() Negotiable |
|
||||
(China (Mainland))








